歡迎訪問深圳市圳(zhèn)佳鋁業有(yǒu)限公司官方網站!
深圳市圳佳鋁業有限公司
吳先生:13602517875
林錦城(銷售總監):13613023966
林錦璿(銷售經理):18194047991
電話(huà):0755-22250966
QQ:461931695
傳真:0755-25655633
網址:www.jsxgbjfd.com
郵箱(xiāng):3462883030@qq.com
461931695@qq.com
地址:深(shēn)圳市寶安區 沙井鎮新橋社區芙蓉七路新芙蓉科技園4棟1層
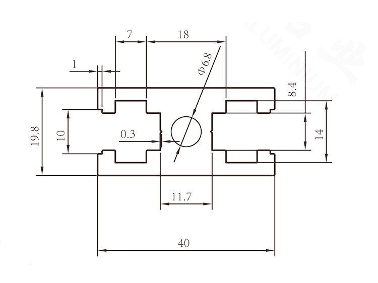
2040玻璃夾(jiá)鋁材(cái)


深圳市圳佳鋁業有(yǒu)限公司(sī)
電話(huà):0755-22250966 傳真:0755-25655633 E-mail:3462883030@qq.com
地(dì)址:深圳市寶安區沙井鎮新橋(qiáo)社(shè)區芙蓉七路新芙蓉(róng)科技園4棟1層
網址:http://www.jsxgbjfd.com/

掃一掃,關注www.17c.com